江蘇克萊斯克能源大型工件加熱
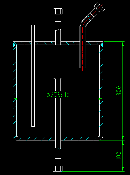
江蘇克萊斯克能源裝備有限公司是一家過濾分離旋流分離、塔內件、混合、干燥等相關產品的技術型企業。2021年2月份該企業總工譚工,通過互聯網聯系到我公司,提出了自己的相關要求,他們在研究一種新的設備,用于客戶的新項目,一直沒有找到合適的加熱方案。通過和技術的交流,詳細溝通了他們項目的需求,他們要加熱的是一個大型的罐體,設備材質S31008 、外徑273mm、厚度10mm、高度300mm。設備內部裝有金屬鋰。溫度要求:升溫時間5-8h,最終溫度1000℃,目標溫度和升溫時間需要隨時可以設定。
根據譚工提供的工件尺寸和技術要求,經我公司技術計算推薦了WTR-MF45-B中頻水冷加熱器。將工件至于感應工裝內部,設備針對客戶需求設定了自動調功、多點測溫、自動保溫和超溫保護的功能。將方案提供給譚工后,譚工表示方案非常詳細,而且很多他們沒有想到的地方,我們都會他想到了,非常周密。譚工說他咨詢我們的同時也咨詢了很多同行廠家,只有我們的方案最完善,和其他同行比較一看就是經驗豐富,技術雄厚。最終雙方達成了合作,設備交付后,我方技術工程師到客戶現場對設備進行安裝調試,經過測試,效果完全符合客戶的要求,比預想的更好。因為這個項目屬于新項目,而且后期投產后需求量非常大,譚工的公司領導對于這個項目非常關注,設備的效果讓客戶非常滿意,對我公司的技術力量表示了認可,公司領導當即表示后期此類項目指定用WTR電磁感應加熱設備。
最新產品
同類文章排行
- 拆卸聯軸器-崇德科技
- 拆裝皮帶輪-科達開發
- 圓鋼退火-金賽爾星工業
- HE8000定制設備助力名友科技
- WTR-16-3鑄件加熱-維克液壓
- 銷軸孔加熱安裝-華建天恒
- c-1拆卸套工裝-恒泰金屬
- 七夕送好禮,大家齊歡喜
- 維特瑞燒烤空巴,大家歡聚一堂
- 維特瑞《餓了么下午茶》,相伴共聚美好時光
最新資訊文章
您的瀏覽歷史
